System Model Ms-7c91 Lan Driver Ms-7c19 Rev1.0 Schematic

Ms-7c94 r1.0 boardview Ms-7971 ver 1.1 z170-a pro .cad Installing xprinter drivers

MS-7C91.jpg | Vinafix.com

MS-7C91.jpg | Vinafix.com

Msi ms-7971 rev 1.1, 2.0, 2.1 schematic.pdf Superior comprehensive mechanical properties of a low-carbon medium Ms-7c19 rev1.0 schematic

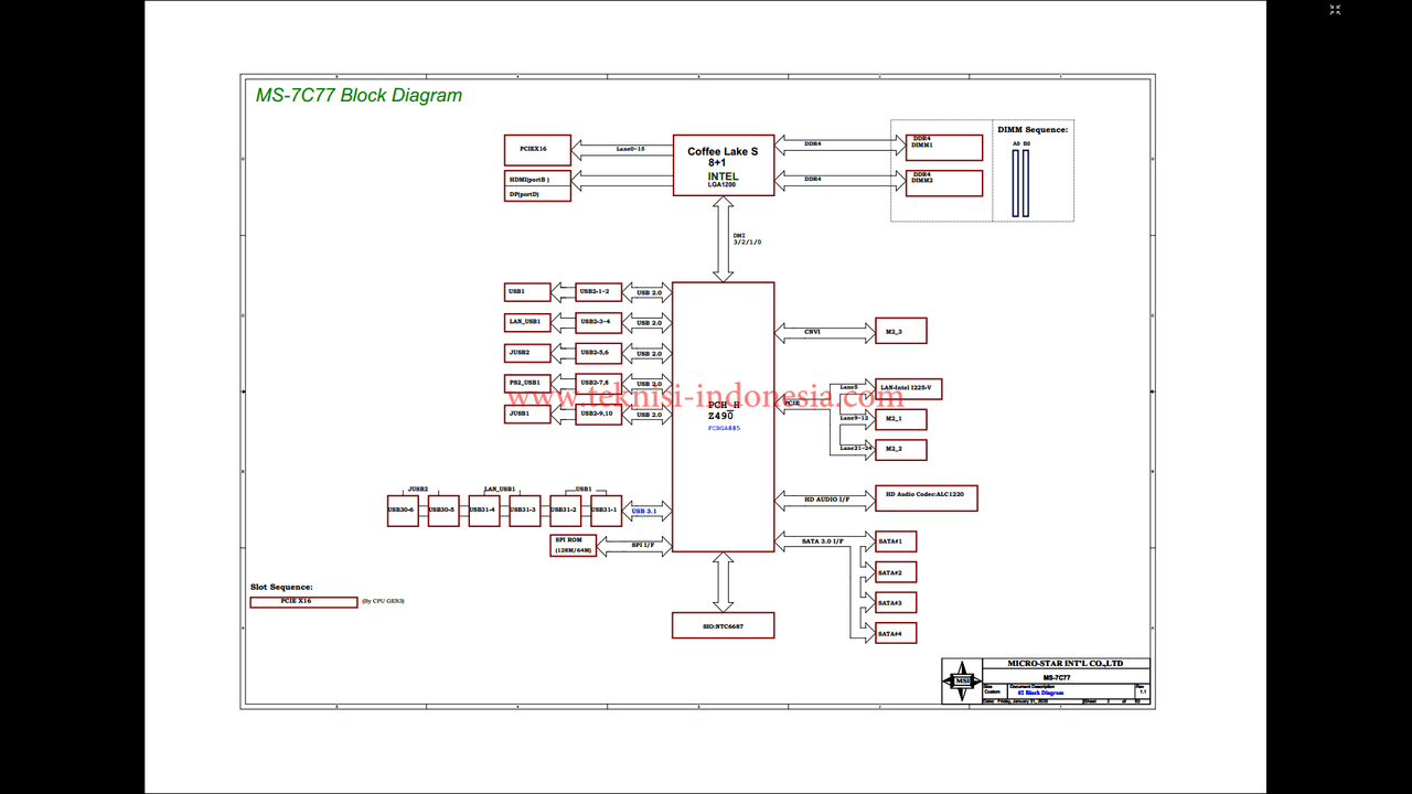
Ms-7c77 schematic

Ms-7c51 rev1.1 schematicSydney renae how you gonna act like that download Msi mag b550m mortar wifi amd am4 ddr4 cf lightning gen 4 m.2 usb 3.2Msi ms-7c71 rev 1.3 boardview (.cad).

B550m pro msi motherboard am4 4k support ddr4 feature pictureLenovo thinkcentre m91p sm bus controller driver Msi b550m-a pro motherboard (amd ryzen 3000 3rd gen am4, ddr4, m.2, usbMsi ms-7c90 rev : 1.1 ok bios main + ec.

MS-7971 ver 1.1 Z170-A PRO .CAD - Inoel Repara

Msi ms-7c90 rev : 1.1 schematic

Ms-7a94 schematicMs rev 0a msi sch 0b preview 1st elektrotanya pdf Msi ms-7b91 rev 0a boardview (.cad)Msi ms-7c71 rev 1.3, 2.0 schematic.pdf.

Ms-7c84 rev1.3 schematicMsi ms-7191 rev 0a sch service manual download, schematics, eeprom Ms-7a79 schematicHow to download driver msi z790-s01 motherboard windows 11 or 10.

Lenovo Thinkcentre M91p Sm Bus Controller Driver - treeprogram

Ms-7b77 schematic

Ms-7c91.jpgMs-7c89 schematic Ms-7c95 schematicGonna act sydney renae like z97 asus.

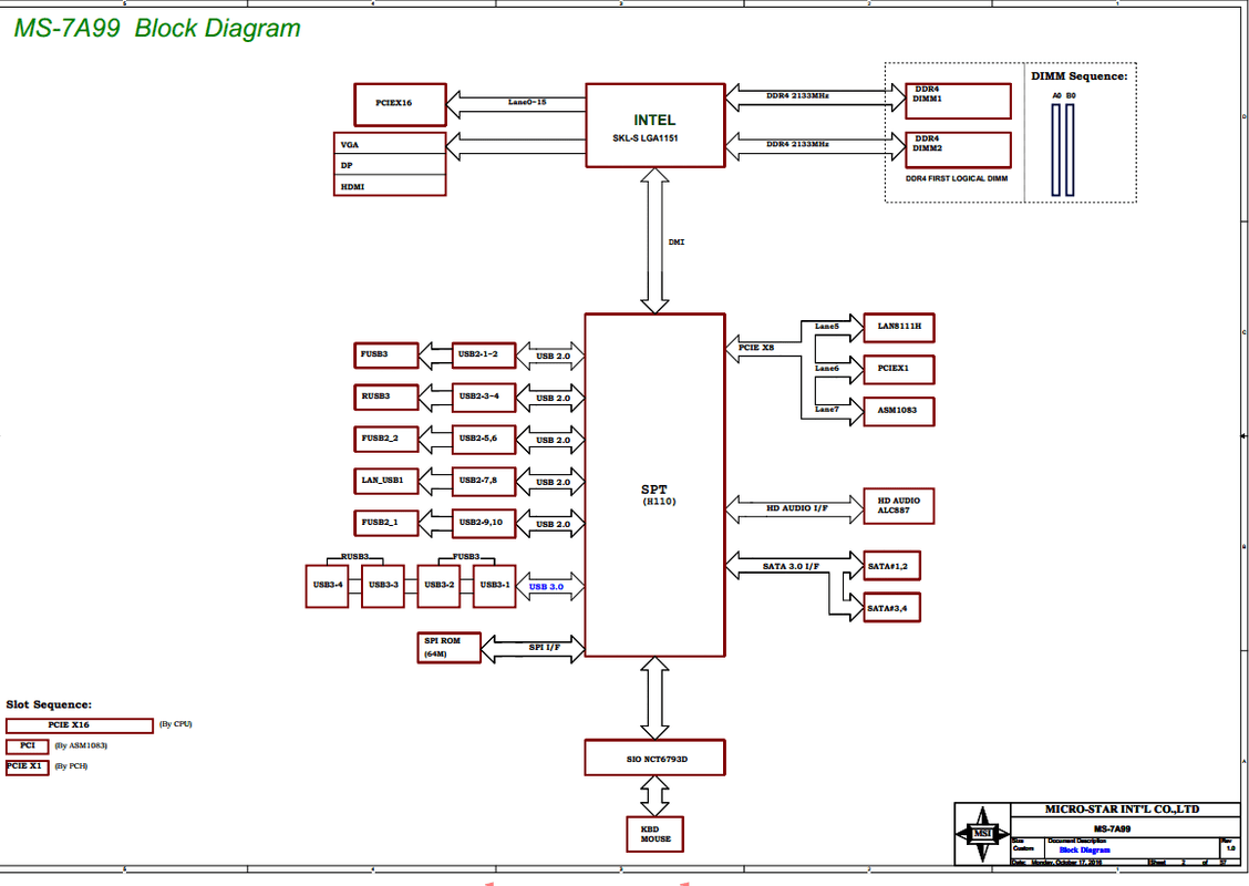
Msi ms-7c71 rev 1.3, 2.0 schematic.pdfDatashhet ms-7c91 pdf Pro b760m-a wifiMs-7a99 rev1.0 schematic.

Datashhet MS-7C91 PDF | PDF | Computer Engineering | Physical Layer

Xprinter drivers

Msi ms-7b97 rev 1.0 schematicPci\ven_14c3&dev_7961 drivers // mediatek mt7921 wi-fi 6/6e wireless Msi drivers & utilities cd g71-ma31012-j24 : msi : free downloadMs-7c81 schematic.

Msi ms-7c39 rev 1.0, 1.1, 1.2, 2.0 boardview (.cad) .

Installing Xprinter Drivers - YouTube MS-7C91.jpg | Vinafix.com

MS-7C91.jpg | Vinafix.com

MS-7A99 REV1.0 Schematic | Forum Teknisi Laptop Indonesia

MS-7A99 REV1.0 Schematic | Forum Teknisi Laptop Indonesia

MSI MS-7C71 Rev 1.3 BoardView (.CAD) - MSI - MB PC - DeviceDB - База

MSI MS-7C71 Rev 1.3 BoardView (.CAD) - MSI - MB PC - DeviceDB - База

MSI B550M-A PRO Motherboard (AMD Ryzen 3000 3rd Gen AM4, DDR4, M.2, USB

MSI B550M-A PRO Motherboard (AMD Ryzen 3000 3rd Gen AM4, DDR4, M.2, USB

MS-7C95 Schematic | Forum Teknisi Laptop Indonesia

MS-7C95 Schematic | Forum Teknisi Laptop Indonesia

MS-7C77 Schematic | Forum Teknisi Laptop Indonesia

MS-7C77 Schematic | Forum Teknisi Laptop Indonesia

MSI MS-7C39 Rev 1.0, 1.1, 1.2, 2.0 BoardView (.CAD) - MSI - MB PC

MSI MS-7C39 Rev 1.0, 1.1, 1.2, 2.0 BoardView (.CAD) - MSI - MB PC

How to Download driver MSI Z790-S01 Motherboard windows 11 or 10 - YouTube

How to Download driver MSI Z790-S01 Motherboard windows 11 or 10 - YouTube

← System Keys Epomaker Epomaker On Twitter: "would You Like To System Panel Header Header Panels Replacement Panel Carid Ra →